ag8集团专注导热质料和电磁波屏障质料12年美国派克固漂亮(Parker Chomerics)中国区一级署理商
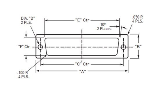
装置法兰EMI衬料
标准尺寸:使用表1,结构如以下所示的合适的物料编号。
关于定做的衬料F尕须提供图纸,物料编号将由chomerics 来确定。
从表2选择物料编号,后4位数字标示质料(1215/1217等),除了CHO-SEAL 1239,所有质料均有货。
表2:
表3:

表4:
表5:
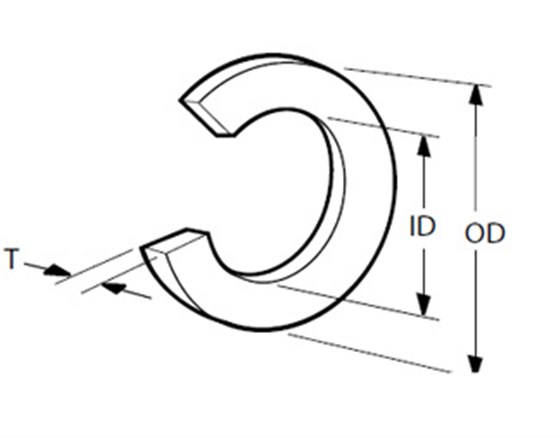
D-超小型矩形衬料
从表6中选择Chomerics 物料编号,后4位数字标示质料(1215、1217等)。
